DRDI-100-035-W1-直驱电机与精密运动平台产品中心

+86 0755 8528 0680
简体中文

DRDI-100-035-W1

德瑞DRD系列力矩电机集成分辨率编码器,具有高动态响应和重复精高久度,能够实现较高的可靠性和低振动、低噪音,可适用于高速和低速工况,采用中空轴设计,安装灵活,方便布线。

DRD系列
DRDI-100-035-W1

DRDI-100-035-W1

电机参数


性能参数DRDI-100-035-W1
连续转矩1N.m
连续电流

1.5

Arms
峰值转矩3N.m
峰值电流4.5Arms
电阻(ptp)4.3Ω(25℃)
电感(ptp)

6.4

mH(25℃)
峰值转速350rpm(220VAC)
持续热功耗

18.87

W(100℃)
力矩常数0.67Nm/Arms
反电动势常数

0.9

Vpeak/rad/s
电机常数0.23Nm/√W
转动惯量4×10-4Kg.m2
电机重量1.1Kg
定位精度
±50Arc.sec
重复精度±5Arc.sec
分辨率327680线/转
极数202P
最大轴向载荷50N
最大径向载荷/N.m
轴向跳动0.03mm
径向跳动0.03mm


产品特点

连续转矩1N.m

峰值转矩3N.m

力矩电机(内转子)

集成高精密光栅码盘

高速、稳定

适合空间小的场合

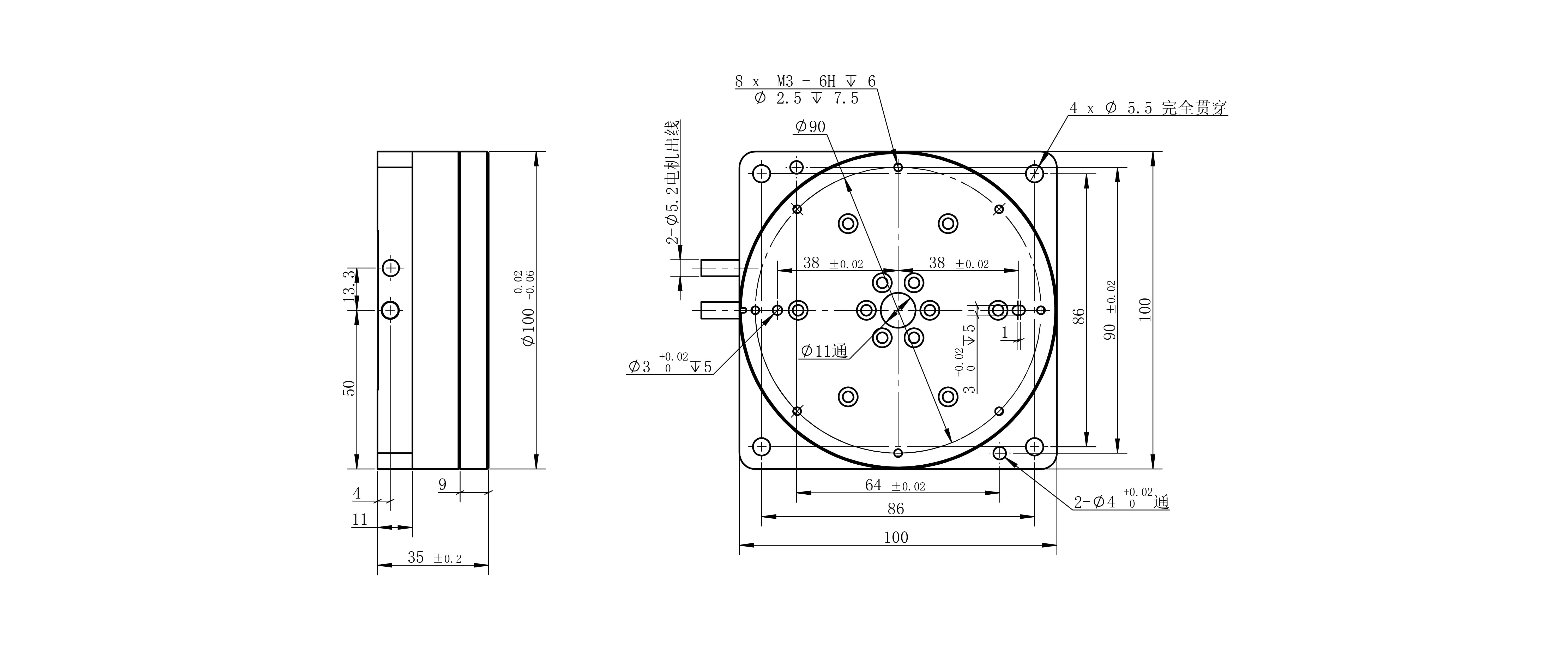
尺寸图

相关产品推荐

欢迎联系我们,满足您各种需求的多样化解决方案

我们追求价值,而不仅仅是交付

了解更多
arrow

添加产品

资料下载申请

填写下方表单,提交后即可直接下载,信息仅用于资料对接,保障您的信息安全。

*姓名

*公司

*邮箱

*电话

*需求

了解并同意德瑞精工的 隐私政策免责声明