DRD-263-138-W2-直驱电机与精密运动平台产品中心

+86 0755 8528 0680
简体中文

DRD-263-138-W2

德瑞DRD系列力矩电机集成分辨率编码器,具有高动态响应和重复精高久度,能够实现较高的可靠性和低振动、低噪音,可适用于高速和低速工况,采用中空轴设计,安装灵活,方便布线。

DRD系列
DRD-263-138-W2

DRD-263-138-W2

电机参数


性能参数DRD-263-138-W2
连续转矩150N.m
连续电流7.1Arms
峰值转矩300N.m
峰值电流14.2Arms
电阻(ptp)5.89Ω(25℃)
电感(ptp)

31.55

mH(25℃)
峰值转速120rpm(220VAC)
持续热功耗

579

W(100℃)
力矩常数21.1Nm/Arms
反电动势常数

17.9

Vpeak/rad/s
电机常数6.234Nm/√W
转动惯量0.16Kg.m2
电机重量36Kg
定位精度±20Arcsec
重复精度±2Arcsec
分辨率1024000线/转
极数402P
最大轴向载荷40000N
最大径向载荷400N.m
轴向跳动0.005mm
径向跳动0.005mm


产品特点

连续转矩150N.m

峰值转矩300N.m

力矩电机(外转子)

集成高精密光栅码盘

高速、大扭矩

适合多工位精密分割盘控制应用

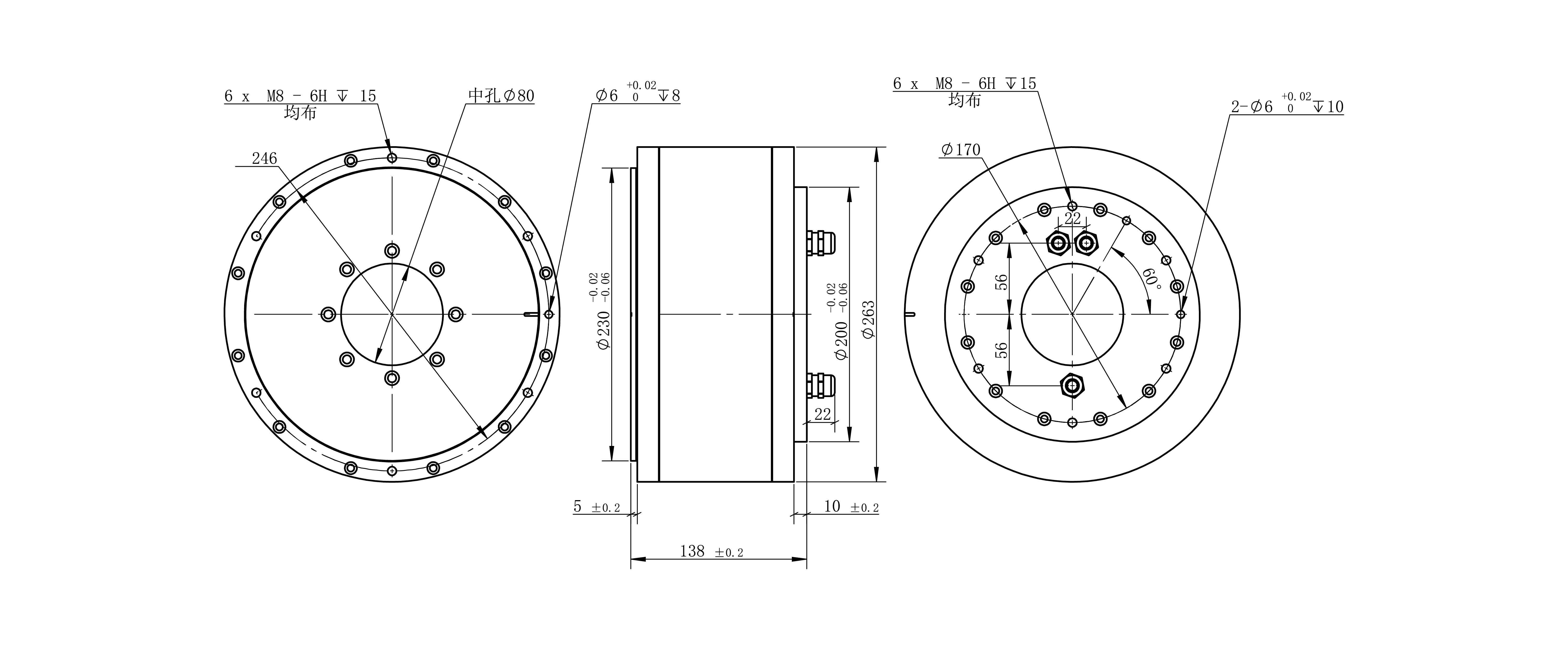
尺寸图

相关产品推荐

欢迎联系我们,满足您各种需求的多样化解决方案

我们追求价值,而不仅仅是交付

了解更多
arrow

添加产品

资料下载申请

填写下方表单,提交后即可直接下载,信息仅用于资料对接,保障您的信息安全。

*姓名

*公司

*邮箱

*电话

*需求

了解并同意德瑞精工的 隐私政策免责声明