DRRB-12-90-直驱电机与精密运动平台产品中心

+86 0755 8528 0680
简体中文

DRRB-12-90

德瑞DRRB系列棒状电机是工业位移控制的理想解决方案。该系列电机,零齿槽效应、运动平稳,速度波动小、安静、更好实现高精度控制等特点。

DRRB系列
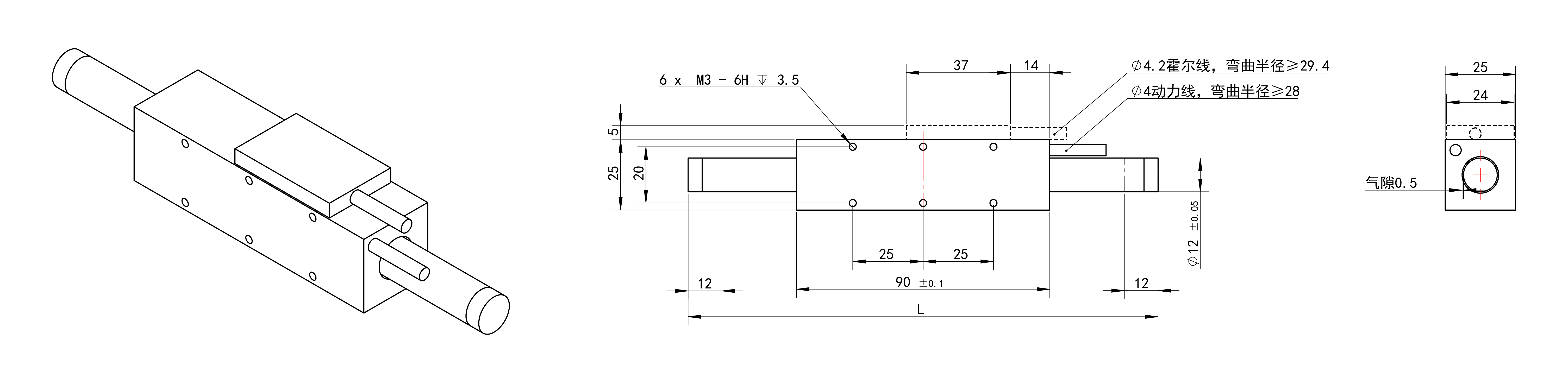
DRRB-12-90

DRRB-12-90

性能参数

  • 性能参数
    DRRB-12-90
    单位
  • 峰值推力
    41.8
    N
  • 持续推力
    10.4
    N
  • 峰值电流
    3.6
    Arms
  • 持续电流
    0.9
    Arms
  • 电机常数
    2.0
    N/SQRT(W)
  • 持续热功率
    26.4
    W
  • 热阻
    2.84
    ℃/W
  • 最大线圈温度
    120
  • 力常数
    11.6
    N/Arms
  • 磁变周期(N-N)
    24.9
    mm
  • 电阻(L-L)
    16.7
    Ohms
  • 电感(L-L)
    2.4
    mH
  • 电气时间常数
    0.1
    ms
  • 反电动势常数
    9.5
    Vpeak/m/s
  • 动子质量
    0.2
    kg
  • 定子质量
    0.9
    kg/m
  • 动子总长(S)
    90
    mm
  • 孔距(M)
    25
    mm
  • 孔距总数(N)
    2
    pcs
  • 孔位数量
    6
    pcs

定子系列

尺寸图

相关产品推荐

欢迎联系我们,满足您各种需求的多样化解决方案

我们追求价值,而不仅仅是交付

了解更多
arrow

添加产品

资料下载申请

填写下方表单,提交后即可直接下载,信息仅用于资料对接,保障您的信息安全。

*姓名

*公司

*邮箱

*电话

*需求

了解并同意德瑞精工的 隐私政策免责声明