DRCM23-ZR35-EC-D1-N02-直驱电机与精密运动平台产品中心

DRCM23-ZR35-EC-D1-N02

德瑞DRBM系列刀片电机分单Z轴和ZR轴。Z轴采用无铁芯电机搭配高精度玻璃光栅尺,R轴采用一体式长轴的高精度微小型DD电机。整体外型结构紧凑,重量轻薄。Z轴搭配高精度高刚性导轨,定位和重复定位精度高,可实现高精度的开环力控。产品广泛应用于需要力控的芯片拾取和贴装,微组装(摄像头模组、闪光灯等微小零件)等。

DRBM系列
DRCM23-ZR35-EC-D1-N02

DRCM23-ZR35-EC-D1-N02

性能参数


电机型号DRBM23-ZR35-E-D1-N02
Z轴有效行程0~33 mm
分辨率0.1 μm
重复定位精度±0.5 μm
额定电流0.86 Arms
峰值电流3.4 Arms
额定推力6.5 N
峰值推力24 N
力常数7.7 N/Arms
电阻9.9 Ω
电感1.1 mH
磁极距21 mm
力控范围20~50 g
<±1 g
50~400 g<±2 g
R轴行程±180[deg]
分辨率135680线数/转
重复精度±0.01°
径向跳动精度≤5μm
额定电流0.7Arms
峰值电流2.1Arms
额定转矩
0.009N.m
最大转矩0.027N.m
转子转动惯量0.001kg.㎡/×10^-4
力矩常数0.0129Nm/Arms
电机常数0.0039Nm/√W
电阻11.1Ω
电感0.54mH
级数2P=4
控制Z轴输入电源48V/4A
R轴输入电源48V/4A
重量
/800g±20

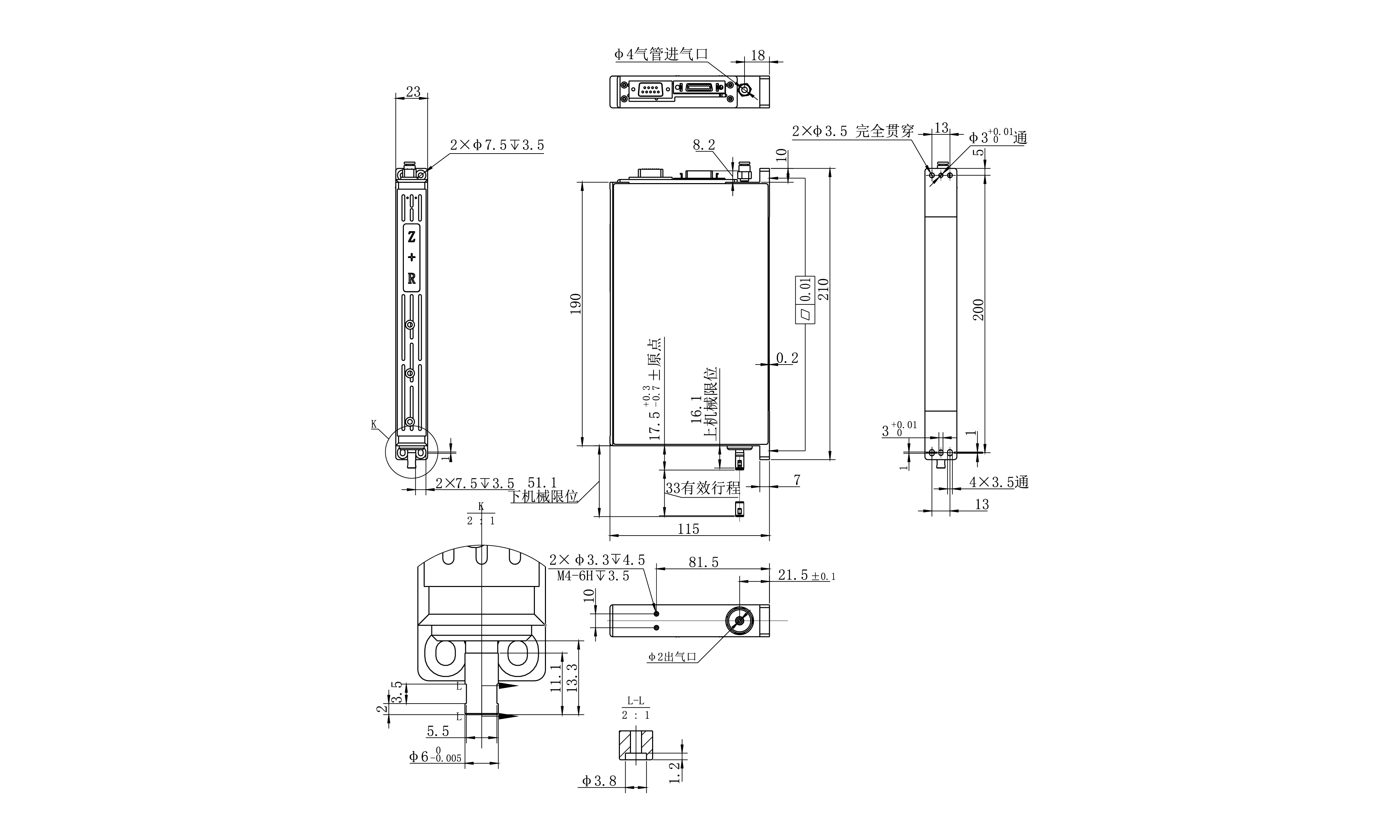
尺寸图

相关产品推荐

欢迎联系我们,满足您各种需求的多样化解决方案

我们追求价值,而不仅仅是交付

了解更多
arrow

添加产品

资料下载申请

填写下方表单,提交后即可直接下载,信息仅用于资料对接,保障您的信息安全。

*姓名

*公司

*邮箱

*电话

*需求

了解并同意德瑞精工的 隐私政策免责声明